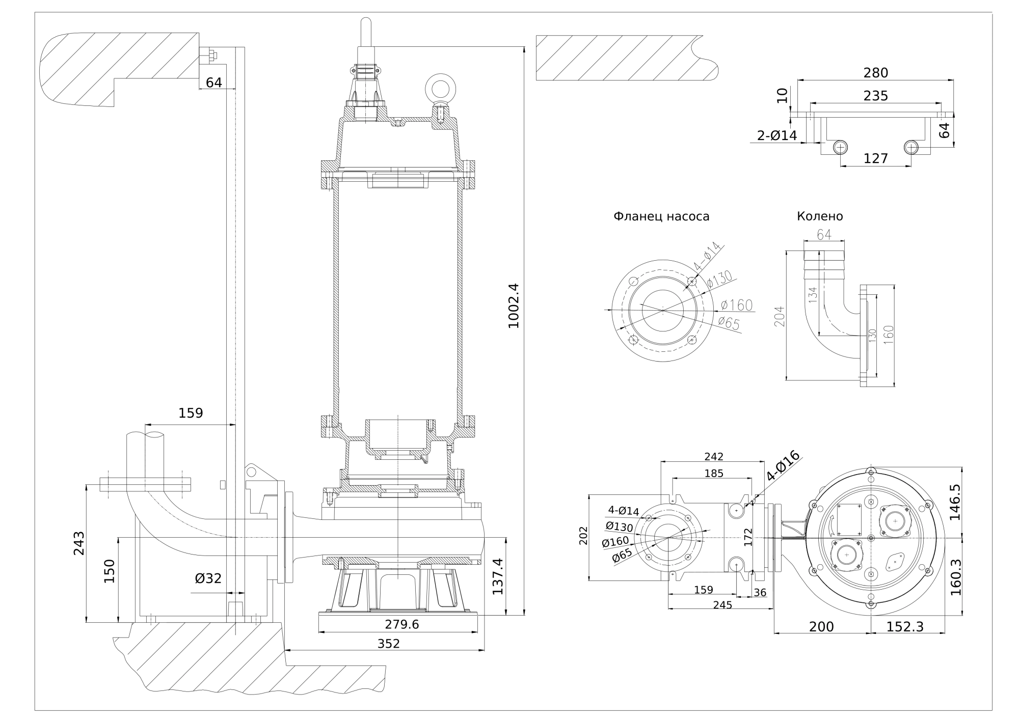
Насос ONIS SW65.40.50.T2.18.5E
Артикул: 118023
Области применения
Насосы применяются в таких отраслях, как:
- Оборудование канализационных насосных станций (КНС), станций перекачки сточных вод, а также систем аварийного водоотведения.
- Для сельскохозяйственного орошения, в горнодобывающей промышленности, осушения болотистых мест, шахт, карьеров и перекачки технологических стоков на предприятиях.
Насосы серии «SW(2026)» не предназначены для использования во взрывоопасных условиях.
Максимальный размер пропускаемых частиц от 15 до 110 мм (в зависимости от модели насоса).
Глубина погружения до 10м.
Погружные насосы ONIS серии SW(2026)
Оснащены закрытым двухканальным рабочим колесом, обеспечивающим перекачивание потока жидкости с включениями размером от 15 до 110 мм (в зависимости от модели насоса). Насосы предназначены для работы с загрязнённой водой, содержащей повышенное количество механических примесей и волокнистых включений. Широко используются в различных областях для водоотведения, оборудования канализационных насосных станций (КНС), станций перекачки сточных вод, а также систем аварийного водоотведения, для сельскохозяйственного орошения, в горнодобывающей промышленности, осушения болотистых мест, шахт, карьеров, перекачки оборотных вод и технологических стоков на предприятиях.
Особенности
- Трехфазное питание: 380В;
- Частота сети: 50 Гц;
- Количество полюсов двигателя: 2;4;6
- Режим работы: S1;
- Класс защиты: IP68;
- Класс изоляции: F
- Насосы мощностью 22 кВт и выше оснащены:
- датчиком обнаружения утечек в масляной камере;
- датчиком температуры электродвигателя.
Расшифровка обозначений
























